«上一篇
文章快速检索     高级检索
下一篇»
  雷达学报  2017, Vol. 6 Issue (1): 90-97  DOI: 10.12000/JR16042
0

引用本文  

谷文堃, 王党卫, 马晓岩. 分布式MIMO-ISAR子图像融合方法[J]. 雷达学报, 2017, 6(1): 90-97. DOI: 10.12000/JR16042.
Gu Wenkun, Wang Dangwei, Ma Xiaoyan. Distributed mimo-isar sub-image fusion method[J]. Journal of Radars, 2017, 6(1): 90-97. DOI: 10.12000/JR16042.

基金项目

国家自然科学基金(61179015)

通信作者

谷文堃guwenkun@hotmail.com

作者简介

谷文堃 (1984-), 男, 籍贯山东济南, 工作单位为94326部队, 助理工程师。现为空军预警学院信息与通信工程专业在读博士研究生。研究方向为MIMO雷达信号处理。E-mail:guwenkun@hotmail.com;
王党卫 (1976-), 男, 籍贯陕西杨凌, 于2006年在国防科技大学取得博士学位。现为空军预警学院副教授。主要研究方向为MIMO雷达系统及信号处理、雷达目标成像与识别。E-mail:wdwjane@tom.com;
马晓岩 (1961-), 男, 籍贯湖北蒲圻, 于2002年在清华大学获得博士学位。现为空军预警学院教授。主要研究方向为雷达系统设计及目标检测与识别。E-mail:lyma_xiaoyan@126.com

文章历史

收稿日期:2016-02-22
改回日期:2016-03-22
网络出版:2016-05-20
分布式MIMO-ISAR子图像融合方法
谷文堃, 王党卫, 马晓岩    
(空军预警学院 武汉 430019)
摘要:高机动目标雷达截面积(Radar Cross Section,RCS)的快速起伏,容易对常规单站逆合成孔径雷达(Inverse Synthetic Aperture Radar,ISAR)成像性能的稳定性造成影响。针对这一问题,该文提出了一种基于频率分集分布式多输入多输出逆合成孔径雷达(Multiple Input Multiple Output-Inverse Synthetic Aperture Radar,MIMO-ISAR)子图像融合的成像方法。首先建立了分布式MIMO-ISAR不同通道所获取的2维ISAR图像解析表达式,导出了距离和方位畸变因子,通过对不同通道所获取ISAR图像畸变的补偿,实现了频率分集分布式MIMOISAR融合成像。仿真实验结果证实了提出方法的有效性。
关键词多输入多输出雷达    分布式雷达    逆合成孔径雷达    图像融合    正交频分复用    
Distributed MIMO-ISAR Sub-image Fusion Method
Gu Wenkun, Wang Dangwei, Ma Xiaoyan    
(Air Force Early Warning Academy, Wuhan 430019, China)
Foundation Item: The National Natural Science Foundation of China (61179015)
Abstract: The fast fluctuation associated with maneuvering a target's radar cross-section often affects the imaging performance stability of traditional monostatic Inverse Synthetic Aperture Radar (ISAR). To address this problem, in this study, we propose an imaging method based on the fusion of sub-images of frequencydiversity-distributed multiple Input-Multiple Output-Inverse Synthetic Aperture Radar (MIMO-ISAR). First, we establish the analytic expression of a two-dimensional ISAR sub-image acquired by different channels of distributed MIMO-ISAR. Then, we derive the distance and azimuth distortion factors of the image acquired by the different channels. By compensating for the distortion of the ISAR image, we ultimately realize distributed MIMO-ISAR fusion imaging. Simulations verify the validity of this imaging method using distributed MIMOISAR.
Key words: Multiple Input Multiple Output (MIMO) radar    Distributed radar    Inverse Synthetic Aperture Radar (ISAR)    Image fusion    Orthogonal Frequency Division Multiplexing (OFDM)    
1 引言

逆合成孔径雷达 (Inverse Synthetic Aperture Radar, ISAR) 通过发射大带宽信号和利用雷达与目标之间的相对运动,能分别获得所观测目标的距离向和方位向高分辨,并进而获得目标的高分辨图像[1, 2]。常规单站ISAR的成像结果是在视角改变较小 ( < 10°)、目标的散射点分布近似不变的条件下获得的[2]。而对于具有高机动、高速、隐身等特性的现代飞行器,相对雷达视角的细微变化常引起雷达截面积 (Radar Cross Section, RCS)10~15 dB的起伏[3]。RCS剧烈起伏或始终处于极小值,会致使ISAR图像质量的下降。另外,现代雷达对抗技术 (如电子干扰和反辐射武器) 的发展使得雷达工作环境受到严峻挑战,常规ISAR的单站有源辐射方式,在抗干扰和抗摧毁能力方面存在缺陷。

不同于常规单站ISAR,各站广域部署的双 (多) 基地雷达在成像方面具有其特有优势。双站ISAR可解决沿雷达视线方向 (Line Of Sight, LOS) 运动或高机动目标的成像[4, 5]。而分布式雷达利用空间合理部署能够获得目标多个方向的散射信息,用实孔径的成像方式,代替ISAR利用运动合成虚拟孔径,来获得高分辨率。分布式雷达由任意个发射和接收站按照任意分布构成,可通过多输入多输出 (Multiple Input Multiple Output, MIMO) 雷达系统来实现[6, 7],MIMO成像雷达能够利用空间谱域内多个通道的观测采样,来实现一次快拍成像[8, 9]。近些年,结合MIMO雷达和ISAR的成像技术成为成像雷达领域的热点,MIMO-ISAR综合了MIMO雷达实孔径和ISAR合成孔径成像的特点,即能够缩短ISAR成像积累时间,又能够减少MIMO雷达成像的实阵元数目[10-12]。文献[10]分析了MIMO-ISAR回波的重新排列和插值问题;文献[11]分析了MIMO-ISAR的图像校正和速度的估计问题;文献[12]提出了一种MIMO-ISAR的参数估计方法。但上述工作均采用均匀线阵,在空间谱域上均匀致密的重构目标信息,这牺牲了分布式雷达布站的灵活性,因此,不均匀或随机布站的分布式MIMO雷达的成像的研究受到了关注[13, 14]。文献[13]提出在稀疏非均匀的无源分布式雷达中,利用压缩感知技术在空间谱域稀疏重构目标图像的成像方法;文献[14]则讨论了基于子图像融合的运动目标MISO-ISAR成像问题,利用图像域的处理方法实现目标的高分辨成像,为分布式MIMO-ISAR成像技术提供了新的途径。但这种处理是以各子图像目标姿态近似相同为前提的,没有充分考虑目标散射特性。

不同于文献[14]MIMO-ISAR成像所使用的正交相位编码信号,正交频分复用 (Orthogonal Frequency Division Multiplexing, OFDM) 波形是一种新的MIMO雷达正交波形,由于其通过常用的线性调频 (Linear Frequency Modulation, LFM) 波形和特定频率间隔调制获得良好的正交特性,这使得该波形具有更优的脉冲压缩特性[15, 16],因此,将该波形应用于分布式MIMO-ISAR对于提高成像性能是十分有益的。然而,需要指出的是,OFDM波形载频的不同会导致目标成像时产生新的难题,MIMO-ISAR不同观测通道得到的目标ISAR图像方位向成像结果会产生尺度变化,图像的融合更为困难。基于这一事实,本文首先建立了基于OFDM波形MIMO-ISAR的信号模型,并导出了不同通道所获取图像的距离和方位畸变因子的解析表达式;其次,提出了基于子图像变换积累融合的MIMO-ISAR成像方法,给出了具体成像流程,并通过仿真结果证实了提出方法的有效性。

2 分布式MIMO-ISAR回波模型

本文的观测模型如图 1所示。假设目标相对各观测的平动分量可以精确补偿。设成像中心o为坐标原点,目标为转台目标,目标的角速度为ω,绕成像中心oxoy平面匀速转动。分布式MIMO-ISAR与目标处于同一平面,由M个收发复用的子雷达在xoy平面任意部署,发射波形通过频分实现正交,基带信号采用线性调频信号。因此,第m(m=1, 2, …, M) 个发射站的发射波形可表示为:

图 1 分布式MIMO-ISAR观测模型 Fig.1 Distributed MIMO-ISAR measurement model

其中,tr表示快时间,rect (·) 为矩形脉冲函数,Tp为脉冲宽度,μ=B/Tp为调频率,B为带宽。fm为载频,可表示为fm=f0+(m-1)B, f0为基准载频。

若要实现MIMO雷达的广域布阵,对目标实现多角度观测,最小子站间距dmin应满足文献[8]的空间分集条件,即

其中,D为目标的横向尺寸,Rm0为第m个发射站到成像中心的距离,λm为第m个发射站发射信号的波长。这样,M个子站两两构成一个双站ISAR观测通道,目标RCS相对各个观测通道独立同分布[9]

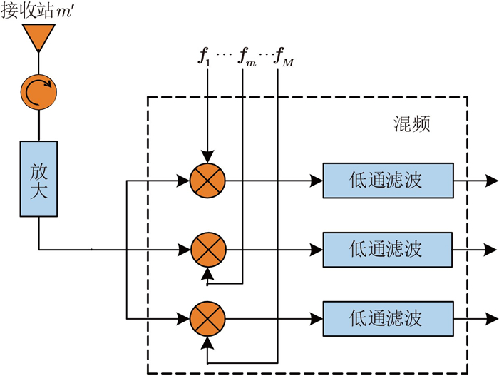
图 2的接收机结构适用于OFDM波形的分离。第m'(m'= 1, 2, …,M) 个接收站接收的回波经过收发开关后加权和放大,然后经过M个混频通道进行解调,混频的参考频率为M个发射信号的载频,低通滤波器带宽为B。经过处理后,第m'个接收站的第m个通道的输出信号为:

图 2 接收机结构 Fig.2 Receiver configuration

其中,c表示光速,$ 0\le t\le {{T}_{\text{a}}}$, Ta表示总的观测时间。σmm'表示第m个发射站到第m'个接收站这一观测通道 (以下简称m-m'通道) 观测角度的RCS,由于空间分集,σmm'在不同通道之间是独立同分布的。Rmm'(t) 表示发射站到成像中心到接收站的双程距离,可表示为$ {{R}_{m{m}'}}\left( t \right)\text{=}{{R}_{\text{T}m}}\left( t \right)\text{+}{{R}_{\text{R}{m}'}}\left( t \right) $。设散射点P与成像中心的距离为r0,与x轴夹角为θ,则RTm(t) 和RRm'(t) 可分别表示为:

其中,$ {{\varphi }_{mm'}}$m-m'通道的等效LOS与y轴的夹角,将在下一节中分析。$ {{\beta }_{mm'}}$m-m'观测通道的双基地角。

可以看出,经过MIMO雷达的信号分选过程,各通道可将发射的正交频分波形分离,接下来各通道的成像结果即由传统ISAR成像方法获得。

式 (3) 经过距离向脉冲压缩可得到

其中,$ {{f}_{\text{d}, m{m}'}}=2\omega {{x}_{0}}/{{\lambda }_{m}}$m-m'通道的多普勒频率,x0, y0为点P在观测通道m-m'的ISAR成像平面上的横坐标和纵坐标。假设在距离单元$ {{R}_{m{m}'}}\left( t \right)$Q个散射点,忽略常数相位项,并考虑加性噪声,可得到方位向聚焦结果[2]

其中,wmm'm-m'通道噪声。

由于各子站分布式部署,系统可形成M2个通道,即能够得到M2个双基地ISAR的成像结果,由于观测角度独立,目标相对M2个通道的RCS独立同分布。反映在成像结果上,不同观测角度下,散射点强度不同,某些通道散射点可清晰辨认,某些通道散射点淹没在噪声中。为了得到稳定的成像结果,本文将各通道子图像在图像域进行融合处理,使得各通道子图像中散射点强度产生平均效应。

3子图像畸变分析

本文利用分布式的布站方式以及OFDM信号的波形分集,各个观测通道得到的双站ISAR子图像,由于双站等效LOS、双基地角以及信号载频的不同,图像旋转角度和缩放尺度因子各不相同,因此各通道得到的子图像存在畸变,在积累前还需对子图像进行预处理。下面分析图像旋转角度和缩放尺度因子这两类畸变。需要说明的是,${R_{{\rm{T}}m}}\left( {{t_{\rm{a}}}} \right)$, $ {R_{{\rm{R}}m'}}\left( {{t_{\rm{a}}}} \right)$是时变的,但在实际情况中,由于成像时间较短,可认为${R_{{\rm{T}}m}}\left( {{t_{\rm{a}}}} \right)$, ${R_{{\rm{R}}m'}}\left( {{t_{\rm{a}}}} \right)$变化较小,因此可认为双基地角${\beta _{mm'}} $是常数。

(1) 旋转角度

各通道的双站等效LOS的不同造成子图像绕成像中心旋转的角度不同。$ {\beta _{mm'}}$可表示为:

其中,$ {{\tilde{R}}_{m{m}'}}$为第m个和第m'个子雷达间的距离。RTmRRm'分别为第m个发射站和第m'个接收站到散射点P的初始距离。

根据文献[4],m-m'通道的等效LOS为双基地角${\beta _{mm'}}$的角平分线方向 (图 1的虚线所示),根据几何关系可知,${\varphi _{mm'}}$即造成该通道所得的子图像旋转的角度。

因为${r_0} \ll {R_{m0}}$, m-m'通道的等效LOS可近似认为这两个子雷达相对坐标原点的双基地角,设第m个发射站LOS与y轴的夹角为αm,可得

(2) 缩放尺度因子

由于各双站ISAR的双基地角、等效LOS和回波载频的不同,导致各子图像在方位向和距离向上尺度因子的不同,造成子图像的缩放畸变。

当目标尺寸远小于雷达观测距离时,即$ {{r}_{0}}\ll {{R}_{\text{T}m}}, {{R}_{\text{R}{m}'}}$,根据菲涅尔近似,可得到RTm, RRm'的近似表达式[4]

$ \begin{align} &{{R}_{\text{R}m'}}\left( t \right)\approx {{R}_{m'}}+{{x}_{0}}\sin \left( {{\varphi }_{mm'}}-\frac{{{\beta }_{mm'}}}{2}+\omega t \right) \\ &\ \ \ \ \ \ \ \ \ \ \ \ \ \ +{{y}_{0}}\cos \left( {{\varphi }_{mm'}}-\frac{{{\beta }_{mm'}}}{2}+\omega t \right) \\ \end{align} $ 由于成像所需转角很小,因此$ \sin \omega t\approx 0, \cos \omega t\approx 1 $。在距离向上,成像参考距离设为Rref, Rref=Rmm',因此散射点P在子图像中距离向尺度为: (11)

可以看出,m-m'通道子图像距离向畸变的缩放尺度因子为$\cos \left( {{\varphi _{mm'}}{\rm{ + }}\frac{{{\beta _{mm'}}}}{2}} \right)$。下面考虑方位向上的缩放畸变。多普勒频率为:

$ \begin{aligned} \Delta {f_{\rm d}}&= \frac{{{\rm{d}}{R_{{\rm{T}}m}}\left( t \right)}}{{{\lambda _m}{\rm{d}}t}} + \frac{{{\rm{d}}{R_{{\rm{R}}m'}}\left( t \right)}}{{{\lambda _m}{\rm{d}}t}}\\ & = \frac{{{x_0}\omega }}{{{\lambda _m}}}\cos \left( {{\varphi _{mm'}}{\rm{ + }}\frac{{{\beta _{mm'}}}}{2} + \omega t} \right)\\ & \quad - \frac{{{y_0}\omega }}{{{\lambda _m}}}\sin \left( {{\varphi _{mm'}}{\rm{ + }}\frac{{{\beta _{mm'}}}}{2} + \omega t} \right)\\ & \quad + \frac{{{x_0}\omega }}{{{\lambda _m}}}\cos \left( {{\varphi _{mm'}} - \frac{{{\beta _{mm'}}}}{2} + \omega t} \right)\\ & \quad - \frac{{{y_0}\omega }}{{{\lambda _m}}}\sin \left( {{\varphi _{mm'}} - \frac{{{\beta _{mm'}}}}{2} + \omega t} \right)\\ & \approx \frac{{2{x_0}\omega }}{{{\lambda _m}}}\cos \left( {{\varphi _{mm'}}{\rm{ + }}\frac{{{\beta _{mm'}}}}{2}} \right) \end{aligned} $ (13)

采用基准载频f0的通道的子图像多普勒频率为$\frac{{2{x_0}\omega }}{{{\lambda _0}}}$,因此方位向畸变的缩放尺度因子为$\frac{{{\lambda _0}}}{{{\lambda _m}}}\cos \left( {{\varphi _{mm'}}{\rm{ + }}\frac{{{\beta _{mm'}}}}{2}} \right)$。可以看出,由于双基地角造成的子图像方位向和距离向上的畸变是相等的,都等于$\cos \left( {{\varphi _{mm'}}{\rm{ + }}\frac{{{\beta _{mm'}}}}{2}} \right)$

4 子图像融合方法

经过分析,各通道得到的子图像存在以上畸变,若要实现子图像的积累,需要将旋转和缩放畸变消除,为此,本文给出一种基于像素点坐标变换的积累成像方法。

4.1 旋转和缩放变换

事实上,设m-m'通道的子图像Vmm'共有Npixel$ \left( {{N_{{\rm{pixel}}}} = I \times J} \right)$个像素点,其中I, J为方位向和距离向的采样点数。第 (i, j) 个像素点 (i=1, 2…, I, j=1, 2, …, J) 的齐次坐标用矢量表示为vmm'ij=[i, j, 1]T,则Vmm'是由vmm'11, vmm'12…, vmm'i1, vmm'i2, …, vmm'IJ这些列矢量组成的$3 \times {N_{{\rm{pixel}}}}$维矩阵,根据文献[16],设m-m'通道经变换后的子图像矩阵为V'mm',可表示为:

其中,矩阵T为3×3的坐标变换矩阵,V'mm'为3×Npixel矩阵,V'mm'的列向量为像素点变换后的坐标。

根据上一节中推导出的各子图像旋转角度φmm',则根据文献[16],各子图像的旋转变换矩阵为:

$ {{\mathit{\boldsymbol{T}}}_{\rm{rotate}}}=\left[\begin{matrix} \cos {{\varphi }_{m{m}'}} & \sin {{\varphi }_{m{m}'}} & 0 \\ -\sin {{\varphi }_{m{m}'}} & \cos {{\varphi }_{m{m}'}} & 0 \\ 0 & 0 & 1 \\ \end{matrix} \right] $ (15)

另外,上一节得到沿子图像方位向和距离向的缩放尺度因子为$ \frac{{{\lambda }_{0}}}{{{\lambda }_{m}}}\cos \left( {{\varphi }_{m{m}'}}\text{+}\frac{{{\beta }_{m{m}'}}}{2} \right)$$\cos \left( {{\varphi _{mm'}}{\rm{ + }}\frac{{{\beta _{mm'}}}}{2}} \right) $,则缩放变换矩阵为:

经过旋转和缩放变换后的图像,其中部分像素点的坐标可能不是整数,图像的灰度在这样的坐标上是没有定义的,这就需要通过图像插值来确定该类像素点的取值。本文采用双线性插值算法,在适中的计算量下,得到较高图像质量。

设某一像素点经变换得到的坐标为 (i+u, j + v),其中u, v为实数,并且$ u\in \left[0, 1 \right), v\in \left[0, 1 \right) $。因为该像素点的坐标不为整数,则这个像素点的灰度值f(i+u, j + v) 可以由图像中该像素点周围相邻的4个像素点的灰度值来确定[17]。周围4个像素点坐标为 (i, j), (i+1, j), (i, j+1), (i+1, j+1),则

经过上述旋转、缩放变换和插值处理,各个子图像的畸变得到消除,目标散射点位于同一像素点,最后进行积累,得到最终成像结果,其处理流程如图 3所示。

图 3 成像流程 Fig.3 Imaging process
4.2 分辨率分析

由于本文子图像的积累方式采用非相参积累,积累后的图像的方位向分辨率应该由所有子图像中方位向分辨率最低的子图像决定。方位向分辨率是由积累时间Ta决定的,即

则根据式 (13) 中的多普勒频率$\Delta {f_{\rm{d}}} $,可得m-m'通道的子图像的方位向分辨率为:

可以看出,由采用最大波长$ {\lambda _m}$的发射子站、与该发射子站形成最大双基地角${\beta _{mm'}}$的接收子站组成的等效通道的方位向分辨率最低。即积累后的方位向分辨率为:

其中,λ0为采用基准载频f0的子站的波长,${\beta _{0m', \max }} $为采用基准载频f0的子站与其他接收子站形成的最大双基地角。

距离向分辨率仍是由带宽决定,由于各通道的基带信号带宽均为B,因此融合图像的距离向分辨率为:

5 仿真实验

为验证本文的分布式MIMO-ISAR对起伏目标的成像性能,下面通过仿真实验进行测试。仿真中,设系统由M=5个收发复用的子雷达构成,坐标分别为 (-40 km, -50 km), (-20 km, -70 km), (0, -90 km), (20 km, -70 km), (40 km, -50 km);成像中心位于坐标系原点,目标为转台目标,以角速度ω=0.01π绕成像中心旋转,各散射点分布如图 4所示。

图 4 飞机几何模型 Fig.4 Plane geometry model

各子雷达发射信号的脉宽Tp=2.5 μs,带宽B=150 MHz,脉冲重复频率PRF=400 Hz。系统采用OFDM信号,初始载频为f0=11 GHz,各子雷达发射载频的频率间隔为$\Delta B = {150^{}} \; {\rm{MHz}}$。各子雷达接收机混频所用的低通滤波器带宽为B

根据文献[9],本文用经典的Swerling起伏模型对MIMO雷达目标模型进行近似。仿真中目标起伏服从SwerlingⅠ型起伏模型,即目标由空间分布的各向同性且相互独立的多个散射点组成。该种模型中分布式MIMO-ISAR各通道之间的RCS是独立同分布的,脉冲与脉冲之间相关。设某通道噪声功率为$ \sigma _{\rm n}^2$,对给定的信噪比 (Signal to Noise Ratio, SNR) 的值,信号功率为$ \sigma _{\text{s}}^{2}=\sigma _{\text{n}}^{2}\cdot {{10}^{\frac{\text{SNR}}{10}}} $,然后,生成25个 (M2=25) 参数为σs的瑞利分布随机数,即σmm',使得各通道各散射点的回波归一化幅度服从参数为σs的瑞利分布。

图 5为SNR=10 dB时,25个通道所得到的未经变换的成像结果。可以看出,由于各通道观测角度和信号载频的不同,各子图像中目标散射点位置不同,几何形状存在缩放和旋转的畸变,与本文理论分析结果一致。另外,由于目标的空间分集效应,各通道子图像中的各散射点是起伏的。某些通道中,散射点幅度高出噪声,可清晰分辨;某些通道中由于目标RCS处于极小值,造成散射点淹没于噪声中。

图 5 各通道子图像 (M2=25, SNR=10 dB) Fig.5 Sub-image of each channel (M2=25, SNR=10 dB)

图 6是经过本文子图像的变换和积累融合处理后的成像结果,从结果可以看出,通过子图像的变换,能够使目标各散射点位于相同位置,另外,通过积累融合能够使得各通道中散射点的起伏产生平均效应,散射点幅度大大高于噪声,易于对目标进行有效识别。

图 6 最终成像结果 (SNR=10 dB) Fig.6 Final image (SNR=10 dB)

图 7是本文方法在不同SNR的条件下的成像结果。从结果可以看出,当通道数为25时,SNR=2 dB的条件下,各散射点不能完全辨认,但当${\rm{SNR}} \ge {4^{}}\;{\rm{dB}}$时,本文系统即能得到散射点较为清晰的成像结果。也就是说,通过子图像的融合处理,本文方法能够在较低SNR条件下进行成像。

图 7 不同SNR下的成像结果 Fig.7 Images in different SNR values
6 总结

本文提出了一种基于子图像融合的分布式MIMO-ISAR成像方法。该方法将分布式MIMO-ISAR各通道得到的子图像在图像域中融合处理。理论和实验研究表明:(1) 空间分集和频率分集均能够造成子图像的畸变,通过图像域校正处理,各通道子图像的非相参积累结果能够反映目标散射点的真实位置。(2) 由于分布式MIMO-ISAR多个通道不同方向地对目标进行观测,能够充分利用目标散射信息,各通道子图像的幅度相互独立,通过非相参积累能够抑制RCS起伏,得到稳定成像结果。需要指出的是,本文的子图像融合方法是在两个理想条件下进行的,即:时间同步和各通道旋转角速度相同。下一步将对时间同步的误差对系统成像融合性能的影响展开讨论,另外,将对旋转角速度不同以及变速旋转的情况进行研究。

参考文献
[1] Duan H P, Zhang L Z and Fang J Pattern-coupled sparse Bayesian learning for inverse synthetic aperture radar imaging[J]. IEEE Signal Processing Letters, 2015, 22(11): 1995-1999. DOI:10.1109/LSP.2015.2452412 (0)
[2] 保铮, 邢孟道, 王彤.雷达成像技术[M].北京:电子工业出版社, 2005:229-276.
Bao Z, Xing M D, and Wang T. Radar Imaging Technology[M]. Beijing:Publishing House of Electronics Industry, 2005:229-276. (0)
[3] Xu J, Dai X Z, Xia X G, et al. Optimizations of multisite radar system with MIMO radars for target detection[J]. IEEE Transactions on Aerospace and Electronic Systems, 2011, 47(4): 2329-2343. DOI:10.1109/TAES.2011.6034636 (0)
[4] 张亚标, 朱振波, 汤子跃, 等. 双站逆合成孔径雷达成像理论研究[J]. 电子与信息学报, 2006, 28(6): 969-972.
Zhang Y B, Zhu Z B, Tang Z Y, et al. Bistatic inverse synthetic aperture radar image formation[J]. Journal of Electronics & Information Technology, 2006, 28(6): 969-972. (0)
[5] Palmer J, Homer J, Longstaff I D, et al. ISAR imaging using an emulated multistatic radar system[J]. IEEE Transactions on Aerospace and Electronic Systems, 2005, 41(4): 1464-1472. DOI:10.1109/TAES.2005.1561897 (0)
[6] Fishler E, Haimovich A, Blum R, et al.. MIMO radar:an idea whose time has come[C]. IEEE Radar Conference, 2004:71-78. (0)
[7] Fishler E, Haimovich A, Blum R, et al. Spatial diversity in radars-models and detection performance[J]. IEEE Transactions on Signal Processing, 2006, 54(3): 823-838. DOI:10.1109/TSP.2005.862813 (0)
[8] Wang D W, Ma X Y and Su Y Two-dimensional imaging via a narrow-band MIMO radar system with two perpendicular linear arrays[J]. IEEE Transactions on Image Processing, 2010, 19(5): 1269-1279. DOI:10.1109/TIP.2009.2039374 (0)
[9] Pastina D, Santi F and Bucciarelli M MIMO distributed imaging of rotating targets for improved 2-D resolution[J]. IEEE Geoscience and Remote Sensing Letters, 2015, 12(1): 190-194. DOI:10.1109/LGRS.2014.2331754 (0)
[10] 朱宇涛, 郁文贤, 粟毅. 一种基于MIMO技术的ISAR成像方法[J]. 电子学报, 2009, 37(9): 1885-1894.
Zhu Y T, YU W X and Su Y An ISAR imaging method based on MIMO technique[J]. Acta Electronica Sinica, 2009, 37(9): 1885-1894. (0)
[11] Ma C Z, Yeo T S, Tan C S, et al. Three-dimensional imaging using colocated MIMO radar and ISAR technique[J]. IEEE Transactions on Geoscience and Remote Sensing, 2012, 50(8): 3189-3201. DOI:10.1109/TGRS.2011.2178607 (0)
[12] 陈刚, 顾红, 苏卫民, 等. MIMO-ISAR匀加速旋转目标运动参数估计及性能分析[J]. 电子与信息学报, 2014, 36(8): 1919-1925.
Chen G, Gu H, Su W M, et al. Motion parameter estimation and performance analysis for constant accelerating rotating target in MIMO-ISAR imaging[J]. Journal of Electronics & Information Technology, 2014, 36(8): 1919-1925. (0)
[13] 徐浩, 尹治平, 刘畅畅, 等. 基于压缩感知的稀疏无源雷达成像[J]. 系统工程与电子技术, 2011, 33(12): 2623-2630.
Xu H, Yin Z P, Liu C C, et al. Sparse passive radar imaging based on compressive sensing[J]. Systems Engineering and Electronics, 2011, 33(12): 2623-2630. (0)
[14] 柴守刚. 运动目标分布式雷达成像技术研究[D]. [博士论文], 中国科学技术大学, 2014: 67-91.
Chai S G. Research on distributed radar imaging of moving target[D].[Ph.D. dissertation], University of Science and Technology of China, 2014:67-91. (0)
[15] Wang W Q. Space-time coding MIMO-OFDM SAR for high-resolution imaging[J]. IEEE Transactions on Geoscience and Remote Sensing, 2011, 49(8): 3094-3104. DOI:10.1109/TGRS.2011.2116030 (0)
[16] 王文钦, 程胜娟, 邵怀宗. 基于稀疏矩阵和相关函数联合优化的MIMO-OFDM线性调频波形复用设计与实现方法[J]. 雷达学报, 2015, 4(1): 1-10.
Wang W Q, Cheng S J and Shao H Z MIMO-OFDM chirp waveform diversity design and implementation based on sparse matrix and correlation optimization[J]. Journal of Radars, 2015, 4(1): 1-10. (0)
[17] 章毓晋.图像工程 (上册)[M].北京:清华大学出版社, 2013:52-78.
Zhang Y J. Imaging Engineering (61179015)[M]. Beijing:Tsinghua University Press, 2013:52-78. Victoria S. American Missile Defense[M]. California:United States of America, 2010:44-78. (0)